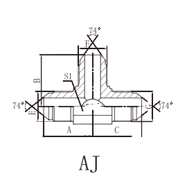
AJ 美制JIC外螺纹74°外锥

我们的研发团队&实验室
华通气动专业的技术研发团队,拥有博士、硕士、本科学历20余人,获得多项国家级专利。与多家知名高校有技术研发合作,密切结合市场需求,开展研发工作。
目前已获得发明专利十一项、实用新型专利五十多项、外观专利三项。
技术中心还拥有600平米完整的气动产品专业实验室,可进行各类相关的气动/物理/模拟/寿命试验。各类检测设备50余台。其中20余台为我公司技术中心自主研发制造的检测设备。
寿命测试台 |
冲击试验机 |
高低温试验箱 |
三坐标测量仪 |
超声波探伤仪 |
液压万能试验机 |
电动布洛维硬度计 |
半自动冲击机 |
生产制造能力
|
华通气动全厂拥有自动化流水线和检测设备130余台,从美国、日本、韩国、台湾等地引进一流的制造装备工艺。拥有智能机器人加工生产线、美国哈挺加工中心、日本津上走心式车铣复合加工中心、刀塔式双头复合车、全自动数控机床、智能装配线。月度产能各类控制阀10万套以上。 |
华通气动车间生产制造能力
高精度自动送料数控车床 |
加工中心车间 |
|
|
质量保证能力
—— 先进的智能化检测线
|
|
|
|
—— 智能的产品装配线
通过视觉检测相机、接近传感器、对射光纤传感器等检测手段,严格控制过程中的错装、漏装。

—— 质量管理体系认证
ISO/TS22163:2017 轨道交通体系认证 |
IATF16949: 2016 汽车行业质量管理体系认证 |
ISO9001: 2015 质量管理体系认证(ISO9000) |
非标气缸定制,我们拥有以下相关技术的气缸定做,欢迎来图来样非标ODM、OEM定制
水循环降温技术
气液转换增压技术
多级伸缩技术
精准定位技术
集成自控技术
高频往复技术
智能集成控制技术
防转技术
耐高温、耐低温、耐腐蚀
华通气动概况介绍





无锡市华通气动制造有限公司
咨询热线:400-150-1100
传真:0510-85757700
邮箱:netsales@wxpneum.com.cn
邮编:214177
地址:无锡市惠山经济开发区欣惠路555号
热线电话
0510-83591123
上班时间
周一到周六
营销QQ
800099935
